2024.09.22
출처
Alpha. 0.3 + 코딩지옥
하드웨어는 끝났다. 일단 혹시몰라서 A4988대신 DRV8825를 박아놨는데 그게 신의 한수였다. 저속 구동...
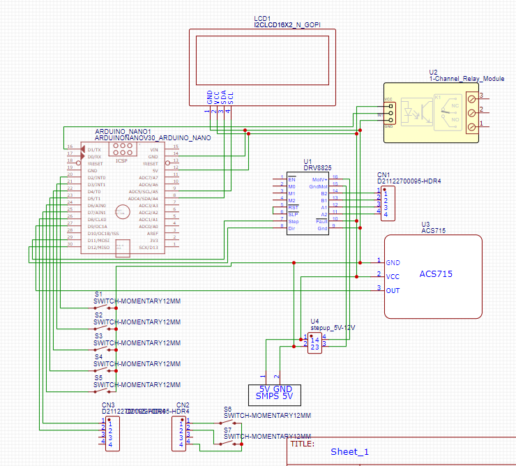
모터컨트롤러 Alpha 0.2
스케매틱하고 부품 배치 수정해줌 1차로 위치 잡아주고 와이어링... 케이스 사용 고려해서 LCD 커넥터 ...
상반기 주식(국내+해외) 수익률 결산
손익/투자원금평잔×100%
프로파일 배송 온거 조립 + 전장 스케메틱
일단 하드웨어는 조립 끝냈음.. 전장작업 끝나고 미세조정 좀 해야하긴 하지만 큰 산은 넘었다. 30X30프로...
[픽션] 어제 내 수익률이 무너졌어
추매했는데 한순간데 떡락하더라 너무힘들어 지금도 울고있어 보고싶다. 매일매일 상승세이던게 너무너무그...
끝
당분간 손댈일 없겠다.
생각이 어지럽다
어제 XXX 카페 다녀왔습니다 XXX 카페가 열린 건 아니고요 그냥 카페에서 XXX 생각했습니다 카페...
1차완성
솔라패널 빼고 모든 기능 동작함.. 아근데 이거 외부에서 사용하면 인터넷은 어카지.. 일단 FlightAware...
.
공백
SDR station
4년 전 쯤에 RTL-SDR에 흥미가 생겨서 알리에서 싸구려 동글 하나 사서 라디오도 수신해보고 FRS ...