2024.10.30
출처
선자령 트래킹 & 백패킹
안녕하세요? 오늘은 지난주(9/17-18)에 갔었던 선자령 백패킹에 대해 포스팅하겠습니다? 먼저 선자령...
브레빌 밤비노 플러스 + 악세사리 리뷰
안녕하세요? 브레빌 밤비노 플러스 및 따로 구입한 악세사리에 대한 내용을 포스팅하겠습니다? 제가 ...
무늬 아단소니와 무늬 싱고니움 입양
안녕하세요? 이번 포스팅은 초보 식집사 입문기를 써보려고 합니다? 저의 첫 반려 식물은 무늬 아단...
광교 상록자이아파트 25평 A타입 반셀프 인테리어 - 타일
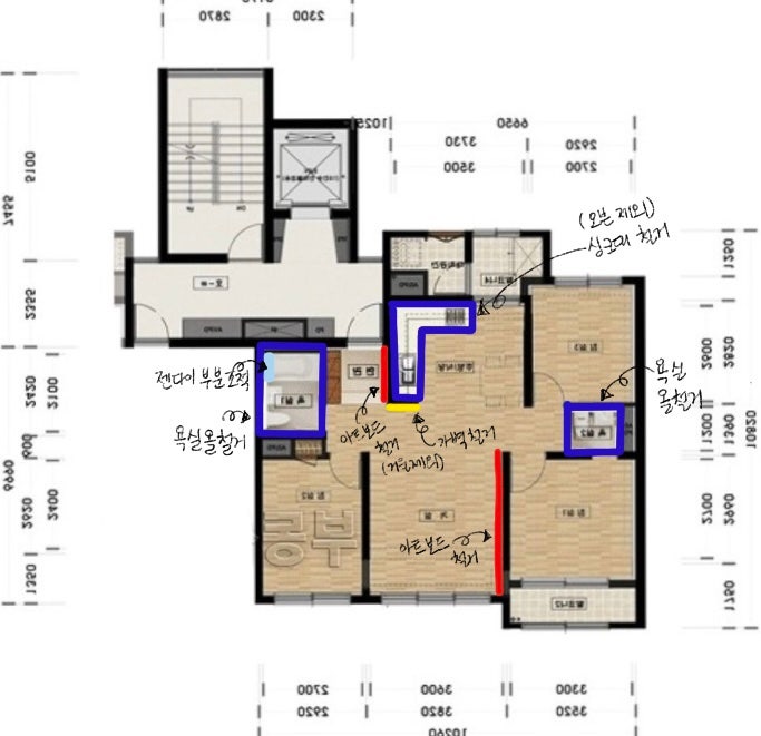
안녕하세요? 오늘은 타일 작업에 대한 내용 포스팅합니다. ? 타일 작업 전 해야할 일 1) 작업 범위 ...
광교 상록자이아파트 25평 A타입 반셀프 인테리어 - 전기 1차, 목공
안녕하세요? 전기 1차, 목공 작업에 대한 내용 포스팅합니다. ?전기 1차 시공 먼저 보통 전기 시공의...
광교 상록자이아파트 25평 A타입 반셀프 인테리어 - 강마루 철거
안녕하세요? 지난번에 이어서 강마루 철거에 대한 내용 포스팅합니다. 강마루 철거를 하기 전에, "...
광교 상록자이아파트 25평 A타입 반셀프 인테리어 - 철거
안녕하세요? 지난번에 이어서 첫번째 공정인 철거에 대한 내용 포스팅합니다. 철거는 사실 다른 공정에 ...
광교 상록자이아파트 25평 A타입 반셀프 인테리어 - 시작
안녕하세요? 광교 상록자이아파트 25평 A타입 매수하여 반셀프 인테리어 진행했던 내용을 포스팅하려고...
호주어그부츠 숏 양모 앵클 플랫폼 로미
호주어그부츠 숏 양모 앵클 플랫폼 로미 ▽▼▽▼▽▼▽ 신발 표면에 처리된 방수 코팅은 신발이 먼지와 물...
호주어그부츠 숏 양모 앵클 청키 미니 클래식 살마 부츠
호주어그부츠 숏 양모 앵클 청키 미니 클래식 살마 부츠 ▽▼▽▼▽▼▽ 신발 표면에 처리된 방수 코팅은 ...