2024.03.18
출처
베어파우 어그 슬리퍼 사이즈 팁, 생각보다 편하네?
내돈내산❤️ 동네에 ABC마트를 기웃기웃 거리니 드디어 정품 어그와 베어파우 어그 슬리퍼가 나옴! ㅋ...
베어파우 데미 어그 히코리 후기*
요즘 다시 어그가 유행하지 모에여! 어그 버린지 백만년인데.... 갑자기 끌려서 오빠한테 크리스마스선물로...
베어파우 : 어그슬리퍼 JULIA
베어파우 JULIA 어그슬리퍼 11절에 열심히 11번가에서 쇼핑한 우기 집 앞에 택배가 엄청 많이 왔는데 ...
더 추워지기전에 베어파우 어그 장만 (베어파우 제나)
아직 어그신기에는 좀 이른것 같지만 한겨울이 정말 코앞에 있다는 느낌 작년 잘 신었던 어그부츠를 이사하...
베어파우. 어그부츠 Demi Hickory
베어파우. 어그부츠 Demi Hickory 애인이랑 사귀던 첫 겨울에 애인이 베어파우 어그를 사줬었거든...
★베어파우 어그 숏 구매후기 :)
★ 베어파우 어그 숏 구매후기★ 겨울 필수 아이템! 어...
[베어파우 어그부츠]
가을의 끝자락 이젠 월동준비~! 추운 겨울 발꼬락 시린 일 없는 어그부츠&nbs...
베어파우 어그_이번에는 데미넛트맥이닷♥
Bearpaw!!!!! 지난번 주문했을때 괜히 글로벌셀러로 구입해서 세관에 걸려버리고... 우여곡...
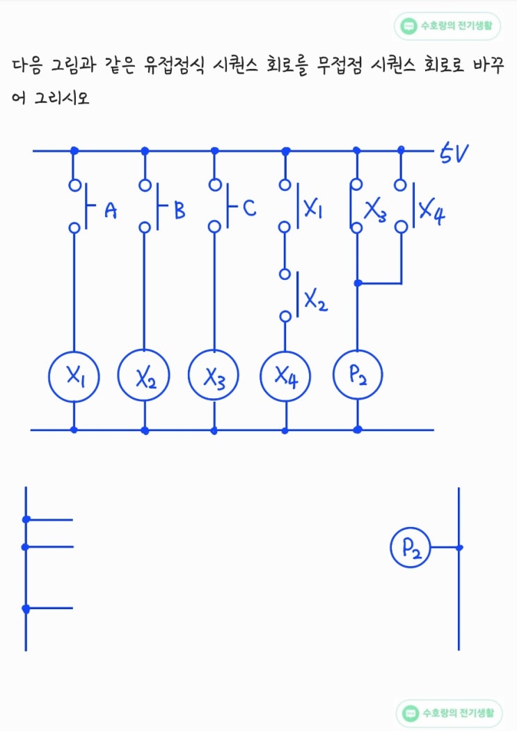
전기기사 실기 문제풀이 (유접점회로를 무접점 회로로 변경해 그리는문제) [18년 1회]
다음과 같은 유접점 시퀀스 회로를 무접점 시퀀스 회로로 변경하시오. * 시퀀스 내용을 처음 공부했을때 무...
전기기사 실기 30개년 개출분석 단원별 총정리 한솔 아카데미 2024 신간 서평
#전기기사 # 실기 #30개년 #단원별 # 총정리 #한솔 #마인드맵 한솔아카데미의 전기기사 실기 2024년 신판 3...