2025.07.14
출처
부천 돈까스 맛집 대산카츠 한입 베어물면 알게 된다.
부천시청 바로 옆. 처음엔 무슨 가게인지 몰라 그냥 새로 생겼나 보다 하고 스쳐 지나가기만 했는데, 어느 ...
부천 가성비 맛집 조은초밥 가격도 맛도 조은 선택
부천IC 방면으로 가는 길, 도당동에 위치한 한 초밥집을 발견하게 됐다. 지나다닐 때마다 눈에 띄게 깔끔...
안양 파티룸 사교 친구들끼리만 노는 프라이빗한 힙플 발견
안양역 근처, 최근 핫플레이스로 뜨고 있는 댕리단길에 있는 파티룸 사교에 다녀왔다. 파티룸 하면 왠지 여...
부천시청역 맛집 미스등갈비 한입 먹자마자 단골 예약확정.
뻥 안 치고 수천 번은 지나다녔을 우리 동네 부천시청역. 항상 그 자리에 있었고, 사람도 늘 많아서 지금까...
인천 게장 무한리필 배터지는게장 눈치보지 않고 넉넉하게.
불경기에 접어들면 확실히 무한리필 가게들이 강세를 보인다. 1인분 가격 조금 넘는 금액으로 마음껏 즐길 ...
인천 제물포 맛집 오목골즉석메밀우동 24시간 열려있는 든든한 한 그릇
인천 제물포역에서 멀지 않은 곳. 10여 년 전, 친구의 소개로 처음 방문했던 곳이 있다. 그때 먹었던 그 맛...
인천 만수동 맛집 신포동진순대국 최상급의 김치와 무김치
소문이 자자해서 "언젠가는 가봐야지" 했던 순댓국 집이 있다. 인천 만수동에 위치한 신포진순대...
회로이론 22년2회 과년도
▪︎AI학습노트-과년도222회로이론 부연설명 듣기 https://notebooklm.google.com/notebook/2146c481-1e1...
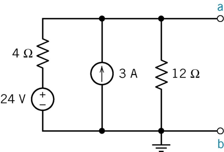
회로이론[Norton Equivalent Circuits (노턴 등가회로)]
잡담&개요 그 동안 학기 중이라서 제대로 블로그 관리를 하지 못했는데 최근에서야 좀 다시 블로그를 ...
회로이론 22년3회 과년도
▪︎AI학습노트-과년도223회로이론 부연설명 듣기 https://notebooklm.google.com/notebook/acf1686f-622...