2025.09.06
출처
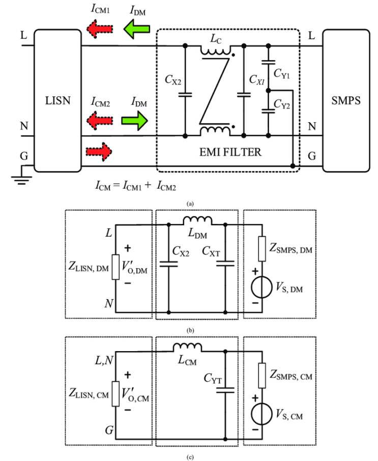
회로 STUDY_EMI 필터 회로
모니터/TV 회로에서 가장 먼저 만나게 되는 회로가 EMI 필터 회로이다~ EMI 필터 회로란~ 우리가 ...
회로 STUDY_1차 정류 회로
SMPS회로에서 두번째로 만나게되는 회로가 1차정류회로라고 할 수있다. 1차정류 회로란? 교류220V를 ...
밥스누 포스트바이오틱스 약콩100 맛있는 비건두유
밥스누 포스트바이오틱스 약콩100 맛있는 비건두유 사진 & 글 by 스즈메 두유는 평소에 넉넉히 사 두고...
헬시푸드 아침 식사 대용 포스트바이오틱스시리얼 씨알푸드 유산균시리얼
헬시푸드 아침 식사 대용 포스트바이오틱스시리얼 씨알푸드 유산균시리얼 아기간식 육아휴직 이후 출산휴가...
포스트바이오틱스 건강에 도움되는 효과
포스트바이오틱스 건강에 도움되는 효과 포스트바이오틱스 건강에 도움되는 효과 포스트바이오틱스 건강에 ...
씨알푸드 유산균시리얼 포스트바이오틱스시리얼
안심할 수 있는 유산균으로 남녀노소 모두 즐기는 시리얼 씨알푸드 포스트바이오틱스 유산균 시리얼 포스트...
웰빙패밀리 생유산균 100억 낙산균 포스트바이오틱스
안녕하세요 고추밭에사는여왕입니다!! 언제어디서나 쉽고 간편하게!! 거부감없이 맛있게 섭취할 수 있는 유...
저당두유추천 밥스누 포스트바이오틱스 약콩두유 솔직 후기
육아를 하다 보면 출출해질 때가 많은데요. 그럴 때마다 달달한 거 먹다 보니 점점 건강도 나빠지는 느낌이...
유산균추천, 웰빙패밀리에서 만난 일동생활건강 낙산균 포스트바이오틱스!
일동생활건강 낙산균 포스트바이오틱스 가격 : 29,000원 용량 : 30포 제가 원래 장이 예민한 편이라 조금만...
포스트바이오틱스 유산균 추천 / 웰빙패밀리 일동생활건강 낙산균
포스트바이오틱스 유산균 추천 / 웰빙패밀리 일동생활건강 낙산균 지금 드시는 유산균 만족하십니까? 좋은 ...